汽车酒驾自动控制装置:让酒驾远离车主

来源 : 2016 年 05 期 

汽车酒驾自动控制装置:让酒驾远离车主

作者: 廖宇妍长沙市周南梅溪湖中学;丁熠程长沙市周南梅溪湖中学;王子涵湖南省宁乡县第十三高级中学

随着经济的发展,汽车已经走进了千家万户,但酒驾也随之而来。近几年,国家从法律层面严格禁止酒驾行为,从行动层面对酒驾给予了严厉的打击和制裁。然而,从技术层面来看,并没有一款可以禁止酒驾的设备。为了有效从源头控制酒驾行为的出现,我们设计了一款汽车酒驾自动控制装备。这款装备可以强制检测汽车驾驶员是否喝酒、酒精含量是否超标,从而判断汽车能否启动,达到控制酒驾的目的。

我们在驾驶座椅下设计了一个压力检测装置(重量承受能力设定为35千克以上)。当35千克以上的人坐在驾驶座椅上时,装置所承受的压力使得检测装置连通起来,检测电路也就接通了。

在汽车座椅上方,我们还要安装一个触发装置。驾驶员上车后把头往后一靠,触发装置会使位于方向盘与车门中间的酒精测试仪自动弹出一定长度,这时酒精测试仪便能够检测出驾驶员呼出气体的酒精含量。接收到驾驶员呼出的气体后,酒精测试仪会判断驾驶员是否喝了酒。如果检测到驾驶员没有喝酒,测试仪会发射“酒精未超标信号”至PLC控制器中,控制器发出启动指令,汽车才能发动;一旦检测到酒精含量超标,或者未吹气,则没有信号发射到PCL控制器中,控制器便不会下达接通点火装置的指令,即便发动汽车,汽车也无法工作。这样我们就能达到控制酒驾的目的了。

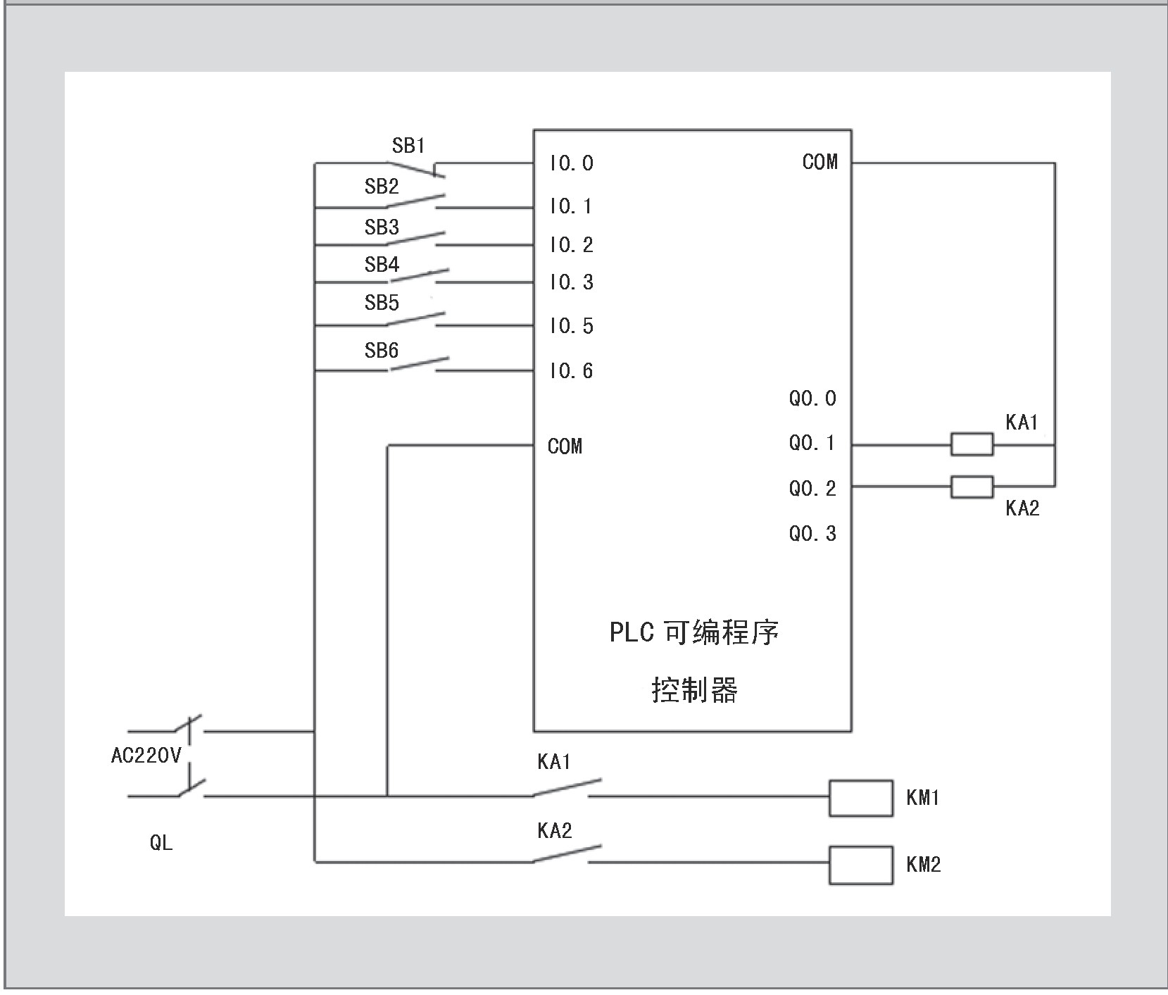
酒精检测自控系统电气连接线图

装置图中标注的符号说明

I0.0:门开关;I0.1:钥匙关;I0.2:钥匙开;I0.3:酒精正常;I0.5:酒精超标;I0.6:座位坐下;Q0.0:有酒精;Q0.2:无酒精;Q0.1:钥匙开;Q0.3:座位坐下;SB1:车门开关;QL:电源开关;SB2:钥匙开关;KA1:报警输出继电器;SB3:钥匙点火;KA2:点火器接通继电器;SB4:无酒精信号;KM1:声光报警器;SB5:有酒精信号;KM2:点火器;SB6:座位开关

酒精检测控制工作原理

合上电源开关QL,打开车门开关SB1,启动酒精测试仪Q0.0,待驾驶员在驾驶位坐好后,座位开关SB6闭合,关好车门开关SB1,打开钥匙开关SB2,准备酒精测试。当无酒精信号SB4闭合时,打开钥匙点火SB3,点火器接通继电器KA2得电吸合,KA2辅助点闭合,点火器KM2接通,汽车发动机启动;当有酒精信号SB5闭合,报警输出继电器KA1得电吸合,KA1辅助点闭合,声光报警器KM1发出“严禁酒驾”的声光报警,并且打开钥匙点火SB3,点火器KM2不能接通,汽车发动机不能启动。

模拟原理作品

作品整体照片

主件PLC控制器

信号感应装置部分

车门感应装置和点火发动控制装置

(指导老师/秦有才 喻虹 肖荷花 插画绘制/蔡成恩)

同期文章

    关键词相关

      作者相关